申扎县人民政府
您当前所在位置:
首页
>
政府信息公开
>
政府信息公开年报
索 引 号:
发文字号:
发布机构:
生成日期:
公开方式:
有效性:
所属公开:
公开时限:
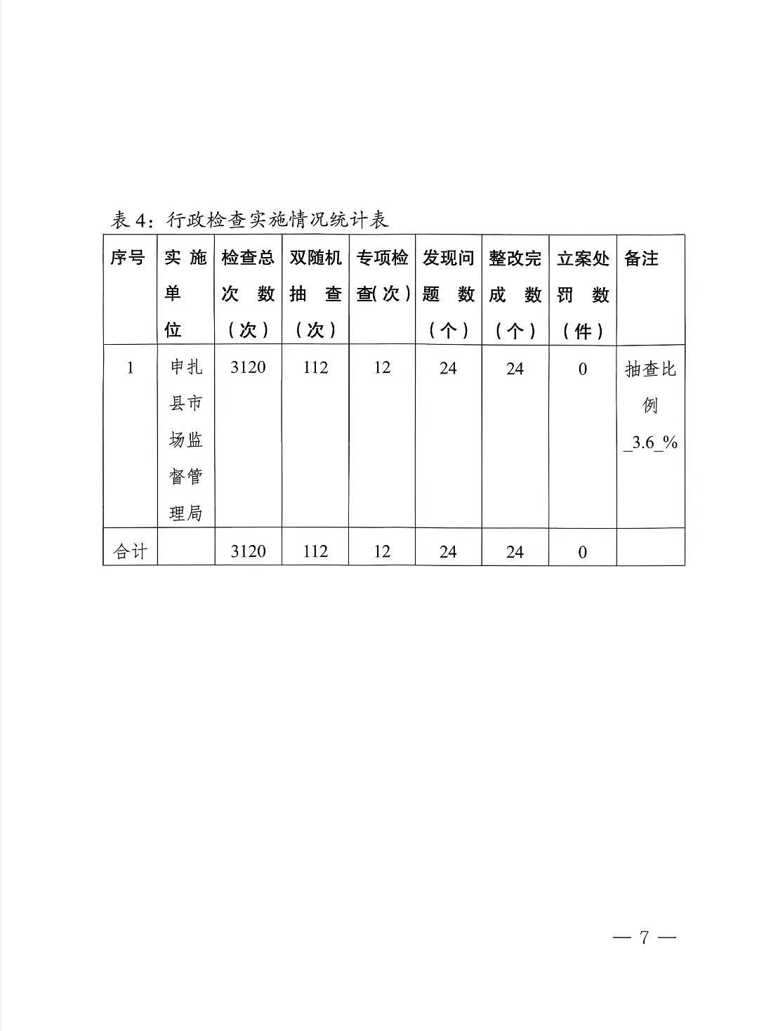
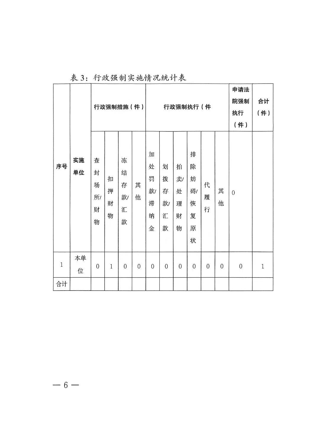
申扎县市场监督管理局2025年度行政执法统计年报
来源:
申扎县市场监督管理局
访问量:
发布日期:
2026-03-03
附件:
关联稿件:
扫一扫在手机打开当前页
分享到:
【
返回顶部
】
【
关闭本页
】